Simarine Pico Display Panel Mount Black & Battery Shunt 300A 2x Volt, 2x Resist, 1x Temp
Simarine Pico Display Panel Mount Black & Battery Shunt 300A 2x Volt, 2x Resist, 1x Temp
PICO-3 + SC303
Highlights:Pico Display: Black panel-mount 3.5 inch IPS LCD display unit,Active Shunt: SC303 300A active digital shunt for precise battery monitoring,Power Terminals: Heavy-duty M10 bolts for high-current battery connections,Sensor Inputs: Terminal block for voltage and resistance temperature sensors,Data Ports: Dual SiCOM RJ9 ports for system communication and daisy-chaining.
Visual comparison of Simarine Pico monitor variations, showcasing black and silver bezel finishes available in both panel-mount and standalone case designs for flexible installation.
Key features: 3.5 inch IPS LCD with anti-reflective Gorilla Glass, Sleek 10mm thick anodised aluminium casing, Direct WiFi connection for smartphone app integration, CNC milled from a single piece of premium metal, Water-tolerant touch buttons for marine environments, Ultra-low power consumption for efficient monitoring.
State of the art battery monitoring interface showing real-time state of charge, voltage, and current for multiple battery types including Lead-Acid and Lithium-ion across 12V to 48V systems.
Advanced tank monitoring display providing precise levels for fresh water, fuel, grey, and black water tanks with up to 10 calibration points for irregular tank shapes.
Versatile monitoring options including multiple temperature sensors, an axis inclinometer for vessel leveling, and a built-in barograph to track air pressure and weather trends.
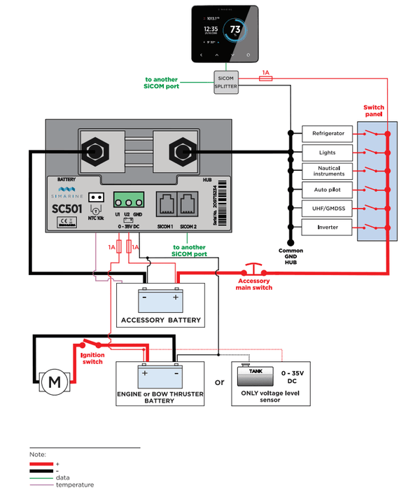
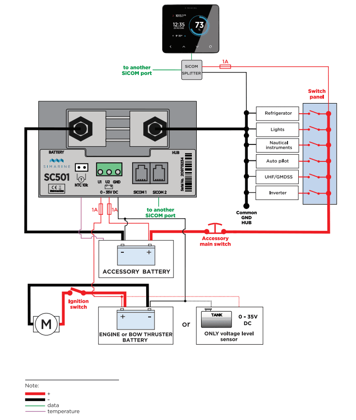
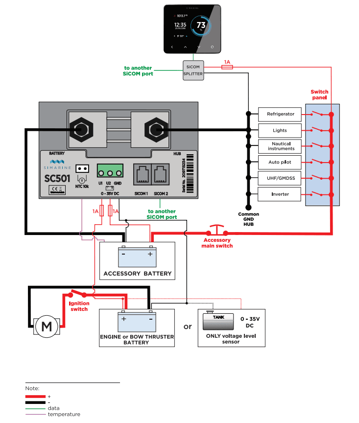
A comprehensive technical wiring schematic showing the connection between the Pico display, SC501 shunt, accessory batteries, engine batteries, and various consumers via a switch panel.
Technical specification table detailing the operating range, accuracy, and measurement limits for the SC303 and SC505 active digital battery shunts, including M10 bolt connection details.
View all products from Simarine

DESCRIPTION
Package Includes:
- PICO-3 Panel Mount Display Black + SICOM Splitter
- SC303 Battery Shunt 300A 2x Voltage, 2x Resistance, 1x Temperature + 4m SICOM Cable
Simarine Pico Display Panel Mount Black (Pico-3)
SIMARINE's advanced battery monitor for most demanding users. For up to 6 battery banks, 6 additional battery voltages, 14 tank level and 20 consumer or power generation readings. Compatible with all SIMARINE shunts and modules.
Operating
- Power source voltage range 6 - 35 V
- Temperature range -20 – +70 °C
- Power consumption at 12 V
- Operating, WiFi On, 100% illumination 90 mA
- Operating, WiFi Off, 70% illumination 35 mA
- Operating, WiFi Off, 0% illumination 18 mA
- Power Off, logger still active 5 mA
Resolution
- Current (A) ±0,01 A
- Voltage (V) ±0,01 A
- Amp hours (Ah) ±0,1 A
- SOC - Stat of Charge ( 0 - 100%) ±0,01 A
- Temperature ±0,1 °C / °F
- Voltage inputs
- Range 0 – 75 V
WIFI
- Radio Frequency Band 2,4 GHz
Dimensions (without connector)
- Standalone 89 x 84 x 10 mm
- Panel 108,5 x 94 x 10 mm
Connectivity Up to
- Batteries 6
- Shunts 24
- Temperature sensors 10
- Tank level sensors 14
- Inclinometer sensors 2
- Smartphone application 1
Logger Capacity
- up to 3 month
Simarine Battery Shunt 300A 2x Volt, 2x Resist, 1x Temp (SC303)
Innovative combination of shunt and tank level module. SC303 is an active combo shunt for PICO battery monitor with 2x voltages, 2x tank level or temperature, 1x socket for temperature sensor with JST connector and 1x current sensor up to 300A for up to 75V systems. It can be used for monitoring current draw of heavy consumers (inverters, bow and stern thrusters, anchor winches) and current generators (shore power chargers and solar panels). Additionally, it allows monitoring tanks for fuel, fresh and grey water.
Operating
- Power source voltage range 6 – 35 V
- Temperature range -20 – +70 °C
- Power consumption at 12 V
- Operating 0.8 mA
Current measuring range
- Per channel 0,1 – 320 A
- Accuracy ± 0,6 %
- Resolution 0,01 A
- Sampling rate 100 ms
Maximal current
- Continuous 300 A
- Peak current (<1 min) 400 A
- Peak current (<5 min) 700 A
- Voltage drop at 300 A 50 mV
- Maximal voltage on connections 35 V
Voltage inputs
- Range 0 – 75 V
- Resolution 1 mV
- Accuracy ± 0,2 %
- Sampling rate 100 ms
Resistance inputs
- Range 0 Ohm – 65 kOhm
- Accuracy ± 3,0%
- Temperature sensor – NTC 10k
- Range -15 – +80 °C
- Accuracy (-10 – 60 °C, 14 – 140 °F) ± 3,0%
Connectivity Up to
- Batteries 1
- Temperature sensors 3
- Voltage sensors 2
- SiCOM RJ9 Sockets 2
Installation and Dimension
- Dimensions (length x width x depth) 120 x 120 x 60 mm
- Battery Connection M 10 bolt
SPECIFICATIONS
| SKU: | SI-BUNDLE-01 |
| Model #: | SI-BUNDLE-01 |
| MPN: | SI-BUNDLE-01 |



















































