Enerdrive 12V/24V 200A IP66 Battery Guard - Low Battery Cutout
Enerdrive 12V/24V 200A IP66 Battery Guard - Low Battery Cutout
Low voltage battery protection
Highlights:Input Terminal: Heavy-duty stud for battery positive connection,Output Terminal: Heavy-duty stud for load connection,Control Terminals: Connections for programming, alarm, ground and remote switch,Status LED: Visual indicator for system operation status,Heatsink: Integrated aluminium cooling fins for thermal management.
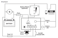
Installation diagram displaying proper wiring for battery input, load output, fuses, alarm buzzer, and optional remote switch. 
DESCRIPTION
Enerdrive 12V/24V 200A IP66 Battery Guard - Low Voltage Disconnect
Features
The ePOWER Low Battery Cutoff protects your batteries from non essential loads before the battery is completely discharged causing damage to batteries and potently denying your engine cranking power. These Low Battery Cutouts also protect connected electrical appliances against over voltage. The voltage load is disconnected whenever the DC voltage goes beyond 16V (12V mode) or 32V (24V mode).
Microprocessor Controlled
The ePOWER LBC is microprocessor controlled with 10 different programs that engage or disengage the voltage load over several different voltage paramaters.
Additionally, the ePOWER LBC range offers many features:
- Overvoltage Protection
- Ignition proof (no relay, no spark)
- Delayed alarm output
- Delayed load disconnect
- Applications
- Recreational vehicles
- Service vehicles
- Maritime applications
SPECIFICATIONS
Specifications
| SKU | EN-LBC1224-200 |
|---|---|
| Auto Voltage Detect | 12 / 24V |
| Max Load (shut down current) | 200 – 210A |
| Peak current | 480A |
| Weight | 730g |
| Dimension LxWxH | 120mm x 112mm x 61mm |
| SKU: | EN-LBC-1224-200 |
| Model #: | EN-LBC-1224-200 |
| MPN: | EN-LBC-1224-200 |
WARRANTY
ENERDRIVE PRODUCT WARRANTY
In the unlikely event that a technical issue arises with an Enerdrive product, customers are encouraged to initially contact the Enerdrive Support Team on 1300 851 535 or support.enerdrive@dometic.com for immediate and efficient expertise and first class product support.
Important Note: Consumer Protections
If you have purchased your product in Australia, you should be aware that:
This warranty is provided in addition to other rights and remedies held by a consumer at law. Our goods come with guarantees that cannot be excluded under the Australian Consumer Law. You are entitled to a replacement or refund for a major failure and for compensation for any other reasonably foreseeable loss or damage. You are also entitled to have the goods repaired or replaced if the goods fail to be of acceptable quality and the failure does not amount to a major failure.
If you have purchased your product in New Zealand, you should be aware that:
This warranty is supplemental to any other rights and remedies you have under the Consumer Guarantees Act 1993 NZ, unless your purchase is made for commercial purposes, in which case Enerdrive excludes all consumer guarantees implied in the Consumer Guarantees Act 1993 NZ in respect of your product.
Enerdrive warrants that its Products will be free from defects in materials and workmanship (subject to limits, and in normal conditions, as described later in this warranty) for up to 5 years from the date of purchase.
Warranty Support Team
As part of the Enerdrive warranty process you may be asked to speak with an Enerdrive Support Team member. This team assists with all technical enquiries & are there to ensure a great result is achieved every time. They will typically discover 1 of 3 possible issues:
- User Error - This is nothing to be ashamed of. Enerdrive appreciate that reading a user manual from start to finish & taking it all in is not an easy task. Enerdrive recommends every customer reads all associated user manuals. If you are still experiencing problems reach out to the Enerdrive Support Team.
- Installation Issues - The Enerdrive Support Team are highly skilled at resolving “Installation” related issues. To assist with your enquiry, you will be asked to share images of the installation and wiring of your system. An installation related issue does not usually lead to a product replacement (unless there are also defects in materials or workmanship of the product). The Enerdrive Support Team are however available to assist by offering support & guidance to both the product owner or a suitably qualified person to achieve an amicable solution.
- Product Failure - If in the unlikely event an Enerdrive product has defects in materials or workmanship (in normal conditions, as described in this warranty) and it meets the conditions as described in this warranty statement Enerdrive will arrange for the product to be repaired or replaced promptly.
Advanced Warranty Replacement Program
For a faster turn-around, and to get you up and running as quickly as possible, Enerdrive offer an “Advanced Warranty Replacement” program. This program is valid for the first 18 months of end user ownership; (i.e. The final user of the Enerdrive system). The program differs slightly depending on whether you have a credit account with Enerdrive or not.
Credit Account Customer
At your request Enerdrive will ship you a replacement product straight away and charge your account for the full cost of this replacement product. The advanced warranty replacement will be sent with a Reply-Paid satchel allowing you (or your customer) to return the faulty product via our free return freight service at your earliest convenience. Once the faulty product is received and Enerdrive has determined that it is covered under Enerdrive’s warranty, Enerdrive will credit back to your account the full cost of the advanced warranty replacement you originally received.
COD Customer / End User
At your request Enerdrive will ship you a replacement product straight away and charge your credit card, (as you are a COD customer), for the full cost of this replacement product. The advanced warranty replacement will be sent with a Reply Paid satchel allowing you to return your faulty product on our free return freight service at your convenience. Once the faulty product is received and Enerdrive has determined that it’s covered under Enerdrive’s warranty, Enerdrive will credit back to your credit card the full cost of the advanced warranty replacement you originally received.
Advanced Warranty Program Conditions for All Customers
By requesting an Advanced Warranty Replacement please be advised that if the product you return is found NOT to be faulty or is NOT covered under Enerdrive’s warranty policy (This document in full), then you will not be entitled to a refund for the cost of the Advanced Warranty Replacement and the product you returned will be shipped back to you at your expense.
Which Products does the warranty apply to?
It applies to all products manufactured or supplied under Enerdrive brands (Products). (Non Enerdrive branded products defined within Appendix)
How long does the warranty apply for?
The warranty applies for the period set out in the ‘Table – products and warranty periods’ set out at the end of this document. (Warranty Period). The periods set out in the ‘Table – products and warranty periods’ begin at the time that the first owner (other than a commercial reseller) first purchases a new Product; if the effect of that is to make your Warranty Period shorter than 5 years, then the shorter period applies. Also, if a previous owner of the Product (other than a commercial reseller) has owned it for a period of time before selling it to you, then it is likely that they will have used up part of the Warranty Period offered by Enerdrive, due to the passage of time. In that case, you will receive the benefit of the remaining balance of the Warranty Period, when you purchase it from them. You must also notify Enerdrive of any warranty claim for a Product within a reasonable period (usually 90 days) after you become aware of a Product which malfunctions. stops operating
Who is the warranty offered to? or
The person who purchases the Product from Enerdrive, or a subsequent owner(s) of the Product who purchases it from another person. (You or you)
What is being warranted?
Enerdrive warrants that covered Products will be free from defects in materials and workmanship (in normal conditions, as described in this warranty). Enerdrive does not promise that Products will always operate without interruptions, nor that Products will always be error-free. Enerdrive Products may not be suitable for medical, mining or other commercial use applications where constant uninterrupted operation may be a requirement (for these applications, the warranty period will be defined at point of sale). Each Enerdrive product is designed to operate in accordance with the specifications and in the conditions set out in any datasheet relating to the particular Product, and limits and constraints which are stated in those specifications and conditions for a Product are not defects in the Product. This is the only voluntary warranty made by Enerdrive for the Products. No person at Enerdrive can offer any different or broader warranty.
Who will determine if a Product is defective?
Enerdrive, who must act honestly and reasonably in making that decision. A court with appropriate jurisdiction may review Enerdrive’s decision.
What will Enerdrive do?
If a Product stops operating or malfunctions during the Warranty Period, due to a defect in materials or workmanship, then Enerdrive must choose between:
- repairing the defective Product, without charge to You;
- replacing the defective Product, without charge to You; or
- providing You with a refund of the purchase price paid for the defective Product.
What costs are covered?
- Reasonable costs of delivery and installation of any repair and / or replaced Products or components of Products.
- Reasonable costs of removal and return of any defective Products; and
- If the Australian Consumer Law (ACL) applies to the relationship between Enerdrive and You, then reasonable consequential expenses related to the defect and these other costs.
You must obtain written authorisation from Enerdrive, whenever possible, before incurring costs such as those mentioned above.
What are the limits on this warranty?
This warranty doesn’t cover any defect or fault to the extent to which it arises due to:
- Improper storage, handling or installation, operation use or maintenance of Products which is careless, inconsistent with instructions provided by Enerdrive, due to failure to follow the procedures and steps set out in any Commission Form, or due to inaccurate completion of the Commission Form;
- physical damage including to a Product’s surface coating or cabinet;
- use of the Product for a purpose or in environmental conditions for which it was not designed or sold, or use outside the specified or normal operating ranges for a Product;
- changes in a Product which occur due to climate or other external influence (for example: foreign material contamination, water entry, exposure to extreme heat or cold or to solvents, lightning, connection with reverse polarity or other inappropriate connection, interference from insects and pests and other issues);
- use of the Product in a more complex system which does not correctly take into account Product design, the impact of other elements of that system, and related impacts;
- normal wear and tear;
- repairs, alterations or modifications to the Product (unless done by Enerdrive);
- the use of any spare parts not manufactured, sold or approved by Enerdrive;
- any other defective or malfunctioning parts in the vehicle or device in which the Product has been installed;
- use of a Product for any unreasonable purpose;
- If any event or circumstance which is beyond the reasonable control of Enerdrive; or
- continued use of a Product after it has stopped operating or has malfunctioned.
Commercial, Medical & Mining applications carry a maximum warranty period of 24 months unless agreed to in writing at time of order / contract. an Enerdrive supplied product stops operating or has malfunctioned, you should stop using the Product immediately and make it available for assessment by the Enerdrive Support Team or warranty agent for inspection.
How can You make a warranty claim?
Contact the Enerdrive Support Team. Enerdrive’s details are:
Enerdrive | Dometic Pty Ltd
Unit 3/11 Millennium Place, Tingalpa, 4173, QLD
Email: support.enerdrive@dometic.com
Ph: 1300 851 535
You must:
- make any claim in writing via email to support.enerdrive@dometic.com
- include details of the alleged defect or fault and the circumstances surrounding the defect or fault.
- provide relevant evidence of the claim, including photographs of the product installed and associated system wiring.
- provide evidence of the date when You purchased the Product including proof of purchase for the product from Enerdrive or from another person;
- Follow Enerdrive’s reasonable instructions about return of the Product.
Are there other things which may affect the warranty?
Yes. If the Product’s serial number has been altered or removed, or if the case or seal of the Product has been opened or tampered with, then this might adversely affect Your ability to make a warranty claim. Also, if you have not paid for the Product, then this may adversely affect Your ability to make a warranty claim.
How will the warranty process work, practically?
You must follow the reasonable directions and system checks / tests of the Enerdrive Support Team. If the Product is returned to Enerdrive, then upon receipt at Enerdrive, the Product will be assessed for defects, and Your claim will be reviewed. If the warranty claim is valid, then Enerdrive will choose one of the options mentioned above (repair, replacement or refund) and will communicate with You about that, to implement that choice. If the warranty claim is invalid, then Enerdrive will notify You and will provide a reasonable explanation why Enerdrive considers the claim invalid. You must then organise pickup of the Product at Your expense within 30 days. All Products replaced (or components which are replaced), will become the property of Enerdrive. If Enerdrive has ceased manufacturing or supplying a relevant Product or component, then Enerdrive may elect to deliver another type of Product (or component of a Product) which differs in colour, shape, size, weight, brand or other specifications in fulfilling its obligations under this warranty. Also, Enerdrive may always elect to provide a Product which is superior to Your original Product.
What else do You need to know?
Wrong deliveries, incorrect or damaged packing and transit damage claims are not warranty claims. Such cases should be directed to Enerdrive’s customer service 1300 851 535 Enerdrive may be required to seek personal information from you when you seek to make a claim under this warranty. Such personal information may be used by Enerdrive to process warranty claims and carry out repairs. Your information will not be shared with any other parties without your consent.
How does this warranty interact with other promises about the Product?
This warranty is in addition to any other rights and remedies which You are provided with by law. However, any warranties implied by law are limited to the greatest extent that is legally possible.
Enerdrive Five (5) Year Transferrable Product Warranty
Validity Date Enerdrive makes this warranty and associated warranty periods, valid for all products purchased from Enerdrive or its associated dealers / manufacturers from January the 1st, 2020.
Table – Products and Warranty Periods
Enerdrive supports your products “technically” for as long as you own them. Our defined warranty periods are listed below for all products (For purposes of manufacturing defects and faults and as defined in our Enerdrive Warranty Terms and Conditions)
| Product / Brand | Warranty Period | Additional instructions for product |
|---|---|---|
|
Enerdrive Battery Chargers: • ePOWER AC Series • ePOWER Industrial Series • ePOWER DC2DC • ePOWER DC Converters • ePRO AC Series |
5 Years |
• All products must be fitted according to supplied User manual and fitting instructions. • DC2DC Not approved for Under Bonnet applications. • Should any product be installed against Electrical Industry ‘Best Practice’ then a maximum warranty of 2 years only will apply ** |
|
Enerdrive Power Inverters: • ePOWER True Sine Series • ePOWER AC Transfer Inverters |
5 Years |
• All products must be fitted according to supplied User manual and fitting instructions. • Should any product be installed against Electrical Industry ‘Best Practice’ then a maximum warranty of 2 years only will apply ** |
|
Inverter / Charger Combi’s: • ePOWER Combi Series • ePRO Combi Series |
5 Years |
• All products must be fitted according to supplied User manual and fitting instructions. • Should any product be installed against Electrical Industry ‘Best Practice’ then a maximum warranty of 2 years only will apply ** |
|
Battery Monitors: • ePRO+ Series • Simarine (when sold as part of a pre-built power system) |
5 Years |
• All products must be fitted according to supplied User manual and fitting instructions. • Should any product be installed against Electrical Industry ‘Best Practice’ then a maximum warranty of 2 years only will apply ** |
|
Enerdrive Lithium Batteries • BTEC Lithium Series • BTEC ULTRA Series • Pro Series |
5 Years |
• Battery charger used MUST have and be set to Lithium charge profile set to the correct charge voltages. • No under bonnet applications – All Warranties voided if done so. • The maximum discharge current that can be drawn from ALL batteries in a single installation should not exceed the maximum discharge current of a single batteries BMS current rating. • Paralleled battery systems must be installed according to the Enerdrive ‘How to Parallel Lithium Batteries’ guidelines found HERE • It is reasonable to expect a decrease in useable amp-hour capacity over time with Lithium batteries due to factors such as number of cycles, and discharge rates. • The Lithium Battery warranty will cover all failures (no power delivery), however natural capacity decrease is not supported with the 5-year period. Should a battery deliver less than 70% of its capacity as recorded by 2 full discharge / recharge cycles as measured by an ePRO+ Battery monitor with no signs of excessive use / wear & tear, it will be considered a warrantable claim. • Any Lithium battery mounted externally must be protected from the elements to avoid any possibility of water ingress. |
Table – Products and Warranty Periods
Enerdrive supports your products “technically” for as long as you own them. Our defined warranty periods are listed below for all products (For purposes of manufacturing defects and faults and as defined in our Enerdrive Warranty Terms and Conditions)
|
Enerdrive Solar Panels: • Fixed Frame |
5 Years |
• It is reasonable to expect a decrease in produced watts delivered from solar panels over time. This is not covered under the 5-year period. • However, should a solar panel deliver less than 70% of its capacity as recorded by a short circuit test in full sunlight, with panel angled according to the seasonal time of year it may be considered a warrantable claim. • Any signs of pressure, hail damage or incorrect mounting will however void any claim. • In the event of a claim for Warranty being approved, Enerdrive cannot be held accountable for labour or removal / replacement costs of faulty solar panels. |
|
Solar Controllers: • ePOWER Series • MorningStar Series (see note) |
5 Years |
• All products must be fitted according to supplied User manual and fitting instructions. • Should any product be installed against Electrical Industry ‘Best Practice’ then a maximum warranty of 2 years will only apply **. |
| Enerdrive Complete System Packages: Fully assembled System Plates, Canopy panels, DIY Install Kits, | 5 Years All Enerdrive components and workmanship included |
• All systems plates must be fitted according to supplied User manual and fitting instructions. • It is recommended that all high current and charge cable connections be checked for tightness on a regular basis. |
| Connection Accessories: BLUE SEA Connection Accessories, Bussmann, Carling & Enerdrive Range | For as Long as the System is Installed up to 5 Years |
• All products must be fitted according to supplied User manual and fitting instructions. • Should any product be installed against Electrical Industry ‘Best Practice’ then a maximum warranty of 2 years will only apply. |
| Simarine (when sold separately) | 3 Years | • As per standard manufacturer warranty periods defined with product |
| For all other brands sold by Enerdrive|Dometic | See notes | • As per standard manufacturer warranty periods defined with product |
** The Term ‘Industry Best Practice’ relates to how a cross section of professionals within the DC / AC related industries would view what is considered Right or Wrong in a wiring system. It is not an attempt by Enerdrive to void any warranty obligations, however considering a large proportion of product issues are related to installation or system-based problems of some nature, it’s ensuring that an Enerdrive product is installed and used correctly as originally intended. All Enerdrive products have an installation manual which shows the requirements for installation, with ‘Industry Best Practice’. Installations shall be compliant to relevant standards including but not limited to AS/NZ 3001 (Electrical Installation Transportable Structures) and AS/NZ 3004 (Electrical Installation Marinas and Boats)
Other Notes:
- While warranty is transferrable to subsequent owners, it is ONLY valid to original installation.
- Commercial, Medical and Mining Application Warranty: Unless agreed otherwise, the standard warranty for all Commercial Vehicle, Medical or Mining applications is 24 Months, unless agreed to in writing at time of order / supply contract. Enerdrive will evaluate the application fairly on all merits of use to determine the best possible warranty period to assist the client.



















































