Victron Energy Meter EM540 - 3 phase - max 65A/phase
Victron Energy Meter EM540 - 3 phase - max 65A/phase
Replacing EM24
Highlights:RS485 Terminals: Top-mounted screw terminals for RS485 communication wires,RJ45 Ports: Dual RJ45 ports for easy RS485 daisy-chaining,High Current Terminals: Large screw terminals for phase and neutral line connections,DIN Rail Release: Spring-loaded clip for secure mounting to standard 35mm DIN rail.
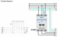
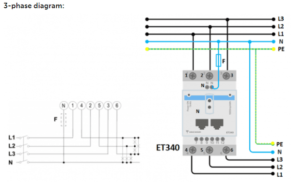
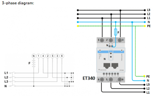
A technical wiring diagram illustrating the correct terminal connections for a standard three-phase electrical installation using the EM540 energy meter.
Comprehensive system wiring schematic demonstrating how the EM540 meter monitors energy flow between the grid, solar PV inverters, and battery storage systems. 
DESCRIPTION
Replacing EM24
1. Introduction and usage
This document is the manual for the 3 phase max 65A per phase Energy Meter.
The Energy Meter can be used to:
- Grid meter, and used as control input for an ESS System (1).
- Measure the output of a PV Inverter
- Measure the output of a AC Genset
The meter is connected to the Color Control GX. There are two options in its wiring:
- Direct connection, either using the RS485 to USB interface with 1.8m cable length, or the 5.0m cable.
- Wireless connection via Zigbee
When used to measure a PV Inverter, terminals 1, 2 and 3 should face the PV inverter to ensure correct direction of current and power.
Single phase dual function diagram:
In this diagram, a single meter is used to both measure the grid and a single phase PV Inverter
On the CCGX go to the grid meter in the Wired AC sensor settings. Make sure 'Phase type' is set to 'Single phase' and 'PV inverter on phase 2' is enabled.
Wired connection to CCGX
Connect the Energy Meter to the CCGX using the USB to RS485 cable. The RS485 to USB interface cable between the CCGX and the Energy Meter can be extended up to 100 meters; make sure that the extensions of the Data+ (orange) and Data- (yellow) wires form a twisted pair.
| RS485 Converter | Energy meter |
|---|---|
| Yellow (Data-) | Terminal 9 |
| Orange (Data+) | Terminal 8 |
| Black (GND) | Terminal 10 |
The red, green and brown wire coming out of the USB to RS485 cable are not used.
SKU: VIC-REL200100100
SPECIFICATIONS
Specifications
| Type | Three-phase Energy analyzer |
|---|---|
| Voltage Inputs | 2-phase (3-wire), 120/240 V; 3-phase (4-wire), 120/208 V; 3-phase (4-wire), 127/220 V; 3-phase (4-wire), 220/380 V; 3-phase (4-wire), 230/400 V; 3-phase (4-wire), 240/415 V; 3-phase (3-wire), 240 V L-L; 3-phase (3-wire), 380 V L-L; 3-phase (3-wire), 400 V L-L; 3-phase (3-wire), 415 V L-L; 3-phase (4-wire delta), 120(208) / 240 V |
| Frequency | 50 Hz; 60 Hz |
| Rated Current | 5 (65) A |
| Current Inputs | Direct connection up to 65 A |
| Start-up Current | 20 mA |
| Energy Metering | Consumption and generation |
| Communication Port and Protocol | RS485 (Modbus RTU) |
| Power Supply | Self power supply |
| Power Consumption | < 1.3 W / 2.6 VA |
| Measurement Method | TRMS measurements of distorted waveforms |
| System and Phase Variables | V L-L, V L-N, A, W/var, VA, PF, Hz |
| Energy Resolution | 0.001 kWh/kvarh/kVAh |
| Display | Backlit LCD |
| Display Refresh Time | 500 ms |
| Communication Refresh Time | ≤ 100 ms |
| Protection Degree | Front: IP40; Terminals: IP20 |
| Mounting | DIN rail |
| Dimensions | 3-DIN modules |
| Weight | 370 g / 0.82 lb (packaging included) |
| Operating Temperature | From -25 to +55 °C / from -13 to +131 °F (X, PFx models) |
| Storage Temperature | From -25 to +70 °C / from -13 to +158 °F |
| Overvoltage Category | Cat. III |
| Pollution Degree | 2 |
| Approvals, Marks, Declarations | CE (Europe); cULus (North America); UKCA (UK) |
| SKU: | VIC-REL200100100 |
| Barcode: | 8719076061168 |
| Model #: | REL200100100 |
| MPN: | REL200100100 |
WARRANTY
Victron Energy Limited Warranty Policy
Direct Customers
Victron Energy provides the following warranty to any direct customer (OEM, distributor or dealer) in relation to any products that Victron Energy has directly sold to the direct customer. This warranty is not an end-user warranty between Victron Energy and an end-user, and end-users shall not have any rights or remedies under this limited warranty towards Victron Energy directly. The direct customer shall, in turn, ensure that the end-user is provided with a warranty identical to this warranty, subject to applicable local mandatory law.
End-Users
Victron Energy may also provide a warranty directly to end-users, in which case the below warranty conditions equally apply to such warranty. In that case, end-users shall claim their warranty at their place of purchase or through the original direct customer of Victron, which can be found through the support section on Victron’s website https://www.victronenergy.com/support. Hence, the direct customer shall on behalf of Victron Energy deal with any warranty claims made under any warranty that Victron Energy may provide directly to end-users. This support section on Victron’s website https://www.victronenergy.com/support will provide further guidance on the procedure for end-users to make a claim under this limited warranty.
If the end-user is a consumer – a natural person who is acting for purposes which are outside that person's trade, business, craft or profession – the following applies. The rights and remedies granted to the consumer under this limited warranty are without prejudice to the consumer’s statutory rights. Furthermore, the consumer is entitled by law to remedies from the seller free of charge in the event of a lack of conformity of the goods (such as repair, replacement, price reduction or rescission), which remedies are not affected by this limited warranty.
Warranty
Victron Energy warrants its products to be free from defects in workmanship and materials for a period of 5 years from the date of purchase by the original end-user, with a maximum of 66 months from the Victron Energy invoice date. Exceptions on this are: lead-acid batteries: 2 years from date of purchase by the original end-user, with a maximum of 30 months from the Victron Energy invoice date, Lithium batteries: 3 years from date of purchase by the original end-user, with a maximum of 42 months from the Victron Energy invoice date. In addition to this, proof of correct battery usage is required when making a battery warranty claim.
For a 10% surcharge on the current net price for products that came with a 5-year warranty, an additional 5 years of warranty can be purchased by Victron’s direct customers, bringing the total warranty to 10 years. Warranty extensions need to be applied for ultimately one year before the expiration of the original term. Victron may ask proof that the product was still functional at the time of purchase of the extended warranty.
During the warranty period, Victron Energy will, at its discretion, repair, replace or (partly) credit the defective product free of charge. The warranty does not include performing or reimbursing de‐installation, transportation, and re‐installation.
This warranty will be considered void if the unit has suffered any physical damage or alteration, either internally or externally, and does not cover damages arising from improper use like:
- Reversed battery polarity.
- Inadequate connection.
- Mechanical shock or deformation.
- Contact with liquid or oxidation by condensation.
- Use in an inappropriate environment (dust, corrosive vapour, humidity, high temperature, biological infestation, etc.).
- Breakage or damage due to lightning.
- Connection terminals and screws destroyed or other damages, like overheating, due to insufficient tightening.
- For any electronic breakage except due to lightning (reverse polarity, over‐voltage due to external cause), the state of the internal control diode and/or the input/output X and Y capacitors determine the warranty.
This warranty will not apply where the product has been misused, neglected, improperly installed, or repaired by anyone other than Victron Energy or one of its authorized Repair Centres. In order to qualify for the warranty, the product must not be disassembled or modified.
This warranty and our warranty obligations thereunder (repair, replacement or credit) are the direct customer’s and, if applicable, the end-user’s sole rights and remedies and our sole obligations with respect to any defective and/or non-conforming product or breach of warranty and is subject to and without prejudice to the limitations of liability in this warranty.
Victron Energy shall not be liable for damages, whether direct, incidental, special, or consequential, even caused by negligence or fault.
As a product requires service, it must be brought back to the place of purchase. In case no contact can be made with the merchant, or if he is either unable or not allowed to provide service, direct contact should be made with Victron Energy through the support section on Victron’s website.
In case Victron Energy replaces a product, it will own the replaced product. Victron Energy owns all parts removed from repaired products. Victron Energy uses new or reconditioned parts made by various manufacturers when performing warranty repairs or building replacement products.
If Victron Energy repairs or replaces a part of a product, its warranty term is not extended: the warranty will apply for the remaining term of the original warranty term. For example, if Victron Energy replaces a product with a 5-year warranty after 3 years, the warranty of this product will apply for another 2 years, with a minimum of 6 months.
All remedies and the measure for damages are limited to the above. Victron Energy shall in no event be liable for consequential, incidental, contingent or special damages, even if having been advised of the probability of such damages.
The foregoing limited warranty provided by Victron Energy is in lieu of any other warranties, express or implied arising by law, course of dealing, course of performance, usage of trade or otherwise, of any kind whatsoever including, without limitation, warranties of merchantability or fitness for a particular purpose, with respect to any product. The above is without prejudice to the arrangement for consumers detailed above.
Life Support Policy
As a general policy, Victron Energy does not recommend the use of any of its products in life support applications where failure or malfunction of Victron Energy's product can be reasonably expected to cause the failure of the life support device or to significantly affect its safety or effectiveness. Victron Energy does not recommend the use of any of its products in direct patient care. Victron Energy will not knowingly sell its products for use in such applications unless it receives in writing assurances satisfactory to Victron Energy that the risks of injury or damage have been minimized, the customer assumes all such risks, and the liability of Victron Energy is adequately protected under the circumstances.
Warranty on repairs for products outside their warranty period
The warranty period on products that are outside their warranty period and have been repaired by Victron Energy or one of the Victron Energy Repair centres is six (6) months from delivery. The same applies to spare parts and circuit boards that have been supplied or repaired by Victron Energy.
Transport
It is the responsibility of the sender to sufficiently package these products. The transport must be organized in a way to avoid any damage, especially when a single unit or heavy unit is sent.
Severability
If a part of the terms and conditions of this warranty is held invalid, void or unenforceable due to any particular national or international legislation, it shall not affect other parts of the terms and conditions of this warranty.
Applicable law
This warranty is exclusively governed by the laws of the Netherlands, to the exclusion of the UN Convention on Contracts for the International Sale of Goods.
Contact details
Victron Energy B.V. | De Paal 35, 1351 JG Almere, The Netherlands | https://www.victronenergy.com/support















































