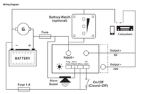
Enerdrive 12V/24V 200A IP66 Battery Guard - Low Battery Cutout
Enerdrive 12V/24V 200A IP66 Battery Guard - Low Battery Cutout
Low voltage battery protection
View all products from Enerdrive

DESCRIPTION
Enerdrive 12V/24V 200A IP66 Battery Guard - Low Voltage Disconnect
Features
The ePOWER Low Battery Cutoff protects your batteries from non essential loads before the battery is completely discharged causing damage to batteries and potently denying your engine cranking power. These Low Battery Cutouts also protect connected electrical appliances against over voltage. The voltage load is disconnected whenever the DC voltage goes beyond 16V (12V mode) or 32V (24V mode).
Microprocessor Controlled
The ePOWER LBC is microprocessor controlled with 10 different programs that engage or disengage the voltage load over several different voltage paramaters.
Additionally, the ePOWER LBC range offers many features:
- Overvoltage Protection
- Ignition proof (no relay, no spark)
- Delayed alarm output
- Delayed load disconnect
- Applications
- Recreational vehicles
- Service vehicles
- Maritime applications
SPECIFICATIONS
| SKU: | EN-LBC-1224-200 |
| Model #: | EN-LBC-1224-200 |
| MPN: | EN-LBC-1224-200 |
WARRANTY
5 Years*
*See Enerdrive's warranty statement for full details.





















